Livraison rapide
Livraison express de 30 jours



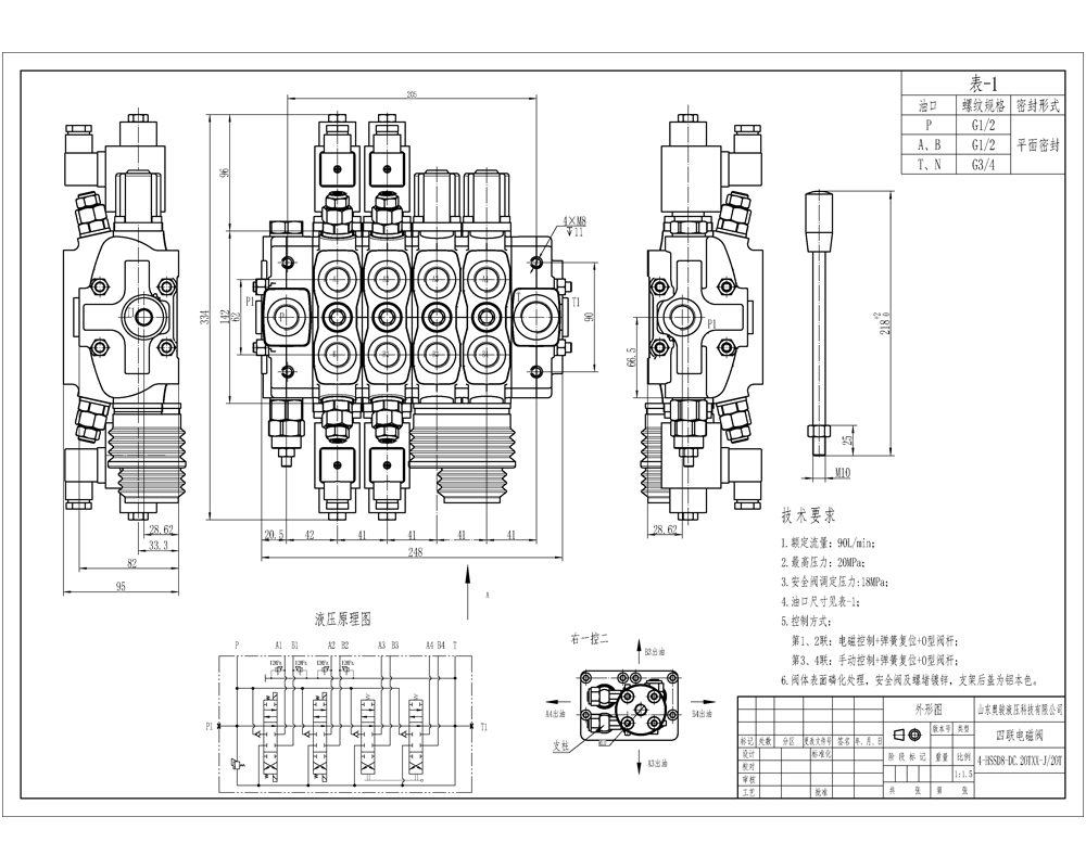
Le distributeur directionnel sectionnel SD8 à solénoïde et joystick à 4 tiroirs est une vanne hydraulique haute performance conçue pour les applications exigeantes dans diverses industries. Avec un débit nominal de 90 L/min, une pression maximale de 350 bar et une plage de viscosité de fonctionnement de 12 à 400 mm²/s, cette vanne offre des capacités exceptionnelles de contrôle de débit et de régulation de pression.
| Série SD8 Distributeur directionnel sectionnel Parameters | |
|---|---|
| Distributeur | 1 distributeur, 2 distributeurs, 3 distributeurs, 4 distributeurs, 5 distributeurs, 6 distributeurs, 7 distributeurs, 8 distributeurs, 9 distributeurs, 10 distributeurs |
| Méthode de contrôle | Manuel, Pneumatique, Électro-pneumatique, Électro-hydraulique, Solénoïde, Hydraulique, Hydraulique et manuel, Câble, Manette, Solénoïde et manette, Manuel et manette |
| Dimension du raccord | G1/2, SAE 10 |
| Section | 1 section, 2 sections, 3 sections, 4 sections, 5 sections, 6 sections, 7 sections, 8 sections, 9 sections, 10 sections |
| Plage de températures ambiantes | -40 °C à +80 °C (-40 °F à +176 °F) |
| Plage de viscosité de fonctionnement | 12 - 400 mm²/s (12 cSt à 400 cSt) |
| Orifice de sortie | G1/2, G3/4, SAE 10, 3/4 NPT |
| Pression maximale | 250 bar (3 600 psi), 350 bar (5 100 psi) |
| Débit nominal | 90 L/min (23,8 US gpm) |
| Type de structure | Distributeur à clapets |
| Orifice d'entrée | G1/2, G3/4, SAE 10 |
**Caractéristiques et Avantages du Produit :**
* Commande par solénoïde et joystick pour un fonctionnement précis et réactif
* Conception à 3 sections pour un contrôle polyvalent du débit
* Construction en distributeur sectionnel pour une maintenance et une personnalisation faciles
* Débit élevé et capacité de pression pour les applications exigeantes
* Large compatibilité de plage de viscosité
**Applications :**
* Équipements de manutention
* Engins de construction et de terrassement
* Véhicules agricoles
* Véhicules industriels
* Plates-formes élévatrices
* Grues
* Excavateurs
* Chargeuses compactes
* Chargeuses sur pneus



