Livraison rapide
Livraison express de 30 jours



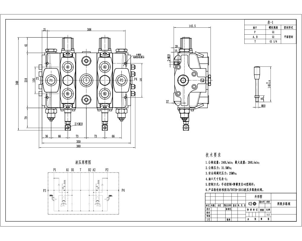
Le distributeur directionnel sectionnel manuel 1 section SD25 est un distributeur haute performance, à commande manuelle, conçu pour être utilisé dans une large gamme d'applications. Il présente une construction monobloc pour une durabilité et une fiabilité accrues, et un débit élevé de 240 L/min (63,4 US gpm) pour répondre aux exigences des applications même les plus exigeantes.
| Série SD25 Distributeur directionnel sectionnel Parameters | |
|---|---|
| Distributeur | 1 distributeur, 2 distributeurs, 3 distributeurs, 4 distributeurs, 5 distributeurs, 6 distributeurs |
| Méthode de contrôle | Manuel, Électro-hydraulique, Hydraulique |
| Dimension du raccord | G1, G1-1/4, SAE 12 |
| Section | 1 section, 2 sections, 3 sections, 4 sections, 5 sections, 6 sections, 7 sections, 8 sections, 9 sections, 10 sections |
| Plage de températures ambiantes | -40 °C à +80 °C (-40 °F à +176 °F) |
| Plage de viscosité de fonctionnement | 12 - 400 mm²/s (12 cSt à 400 cSt) |
| Orifice de sortie | G1-1/4, SAE 16 |
| Pression maximale | 315 bar (4 600 psi) |
| Débit nominal | 240 L/min (63,4 US gpm) |
| Type de structure | Distributeur monobloc |
| Orifice d'entrée | G1, SAE 16 |
**Caractéristiques et avantages du produit :**
* Commande manuelle pour un fonctionnement précis
* Construction monobloc pour une durabilité et une fiabilité accrues
* Débit élevé de 240 L/min (63,4 US gpm) pour répondre aux exigences des applications même les plus exigeantes
* Pression maximale de 315 bar (4600 psi) pour une utilisation dans les systèmes haute pression
* Large plage de températures de -40°C à +80°C (-40°F à +176°F) pour une utilisation dans une variété d'environnements
* 1 Section pour un contrôle simple et efficace
**Applications :**
Le distributeur directionnel sectionnel manuel 1 section SD25 est idéal pour une utilisation dans une large gamme d'applications, notamment :
* Manutention
* Construction et terrassement
* Agriculture
* Véhicules industriels
* Chariots télescopiques
* Chariots élévateurs
* Grues tout-terrain
* Gerbeurs
* Plateformes élévatrices
* Niveleuses
* Mini-pelles
* Chargeuses compactes
* Chargeuses sur pneus compactes
* Chargeuses sur pneus



