Livraison rapide
Livraison express de 30 jours



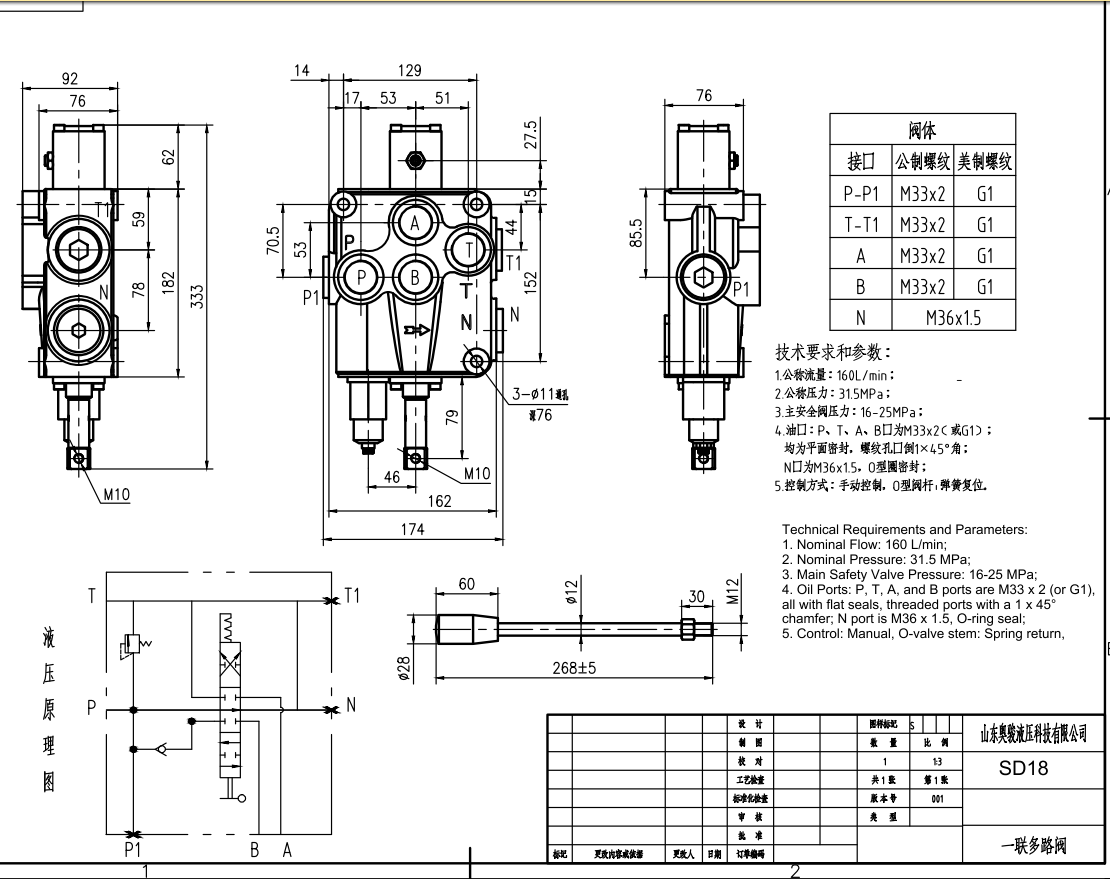
Le Distributeur Directionnel Monobloc Manuel 1 Tiroir SD18 est un distributeur compact et fiable conçu pour être utilisé dans une large gamme d'applications hydrauliques. Avec un débit nominal de 120 L/min et une pression maximale de 315 bar, il est adapté aux systèmes ayant des exigences de débit et de pression modérées.
| Série SD18 Vanne directionnelle monobloc Parameters | |
|---|---|
| Méthode de contrôle | Manuel, Pneumatique, Électro-pneumatique, Électro-hydraulique, Hydraulique, Hydraulique et manuel, Câble, Manette |
| Distributeur | 1 distributeur, 2 distributeurs, 3 distributeurs, 4 distributeurs |
| Débit nominal | 160 L/min (42,2 US gpm) |
| Pression maximale | 305 bar (4 400 psi) |
| Orifice d'entrée | G1/2, G1, SAE 16 |
| Orifice de sortie | G1, SAE 16 |
| Dimension du raccord | G1, SAE 16 |
| Section | 1 section, 2 sections, 3 sections, 4 sections |
| Type de structure | Distributeur monobloc |
| Plage de températures ambiantes | -40 °C à +80 °C (-40 °F à +176 °F) |
| Plage de viscosité de fonctionnement | 12 - 400 mm²/s (12 cSt à 400 cSt) |
**Caractéristiques et Avantages du Produit :**
* Conception compacte et légère
* Commande manuelle pour un fonctionnement précis et réactif
* Construction monobloc pour la durabilité et la fiabilité
* Débit nominal de 120 L/min pour un fonctionnement efficace du système
* Pression maximale de 315 bar pour une utilisation dans des applications exigeantes
* Plage de viscosité de fonctionnement de 12 à 400 mm²/s pour une compatibilité avec une large gamme de fluides
* Plage de température ambiante de -40°C à +80°C pour une utilisation dans des environnements difficiles
* 1 tiroir pour la polyvalence et le contrôle
**Applications :**
Le Distributeur Directionnel Monobloc Manuel 1 Tiroir SD18 est adapté à une variété d'applications hydrauliques, y compris :
* Équipements de manutention
* Équipements de construction et de terrassement
* Machines agricoles
* Véhicules industriels



