Livraison rapide
Livraison express de 30 jours



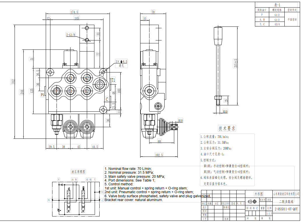
Le distributeur directionnel monobloc manuel 1 distributeur SD11 est conçu pour une large gamme d'applications hydrauliques. Avec un débit nominal de 70 L/min (18,5 US gpm) et une pression maximale de 250 bar (3600 psi), cette valve peut gérer des conditions de fonctionnement exigeantes. Sa conception monobloc compacte offre une solution peu encombrante, tandis que la commande manuelle permet un fonctionnement précis et réactif.
| Série SD11 Vanne directionnelle monobloc Parameters | |
|---|---|
| Méthode de contrôle | Manuel, Pneumatique, Électro-pneumatique, Électro-hydraulique, Solénoïde, Hydraulique, Hydraulique et manuel, Câble, Manette, Électrique |
| Distributeur | 1 distributeur, 2 distributeurs, 3 distributeurs, 4 distributeurs, 5 distributeurs |
| Débit nominal | 70 L/min (18,5 US gpm) |
| Pression maximale | 315 bar (4 600 psi) |
| Orifice d'entrée | G3/4, SAE 12 |
| Orifice de sortie | G3/4, SAE 12 |
| Dimension du raccord | G3/4, SAE 12 |
| Section | 1 section, 2 sections, 3 sections, 4 sections, 5 sections, 6 sections, 7 sections |
| Type de structure | Distributeur monobloc |
| Plage de températures ambiantes | -40 °C à +60 °C (-40 °F à +140 °F) |
| Plage de viscosité de fonctionnement | 15 - 75 mm²/s (15 cSt à 75 cSt) |
**Caractéristiques et Avantages du Produit :**
* Commande manuelle pour un fonctionnement précis et réactif
* Conception monobloc pour une solution peu encombrante
* Débit nominal de 70 L/min (18,5 US gpm) pour des performances efficaces
* Pression maximale de 250 bar (3600 psi) pour les applications exigeantes
* Plage de viscosité de fonctionnement de 15 à 75 mm²/s (15 cSt à 75 cSt) pour une polyvalence accrue
* Plage de température ambiante de -40°C à +60°C (-40°F à +140°F) pour les conditions extrêmes
**Applications :**
* Équipements de manutention
* Engins de construction et de terrassement
* Équipements agricoles
* Véhicules industriels
* Chariots télescopiques
* Chariots élévateurs
* Grues tout-terrain
* Gerbeurs
* Plates-formes élévatrices
* Niveleuses
* Excavateurs
* Chargeuses compactes sur pneus
* Chargeuses sur roues compactes
* Chargeuses sur roues
* Pelles rétrocaveuses
* Camions-bennes
* Perforatrices frontales
* Pompes à béton à flèche
* Compacteurs routiers
* Appareils de forage rotatif
* Concasseurs et coupe-pierres
* Cribleuses
* Tracteurs avec chargeurs frontaux
* Moissonneuses
* Enrubanneuses de balles
* Rétrocaveuses
* Semoirs
* Remorques forestières
* Pulvérisateurs
* Presses à balles
* Fendeuses de bûches
* Chargeurs à benne basculante
* Camions ampliroll / Porte-caissons
* Compacteurs de déchets
* Balayeuses



