Livraison rapide
Livraison express de 30 jours



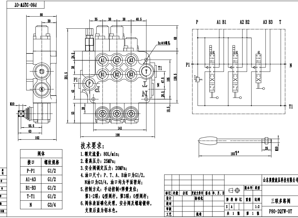
Le P80-G12-2QTW-OT est un distributeur directionnel monobloc manuel à 3 tiroirs conçu pour les systèmes hydrauliques. Il offre un débit nominal de 80 L/min, une pression maximale de 250 bar et une plage de viscosité de fonctionnement de 15 à 75 mm²/s. Cette vanne est couramment utilisée dans diverses applications à travers des industries telles que la manutention, la construction, le terrassement et l'agriculture.
| Série P80 Vanne directionnelle monobloc Parameters | |
|---|---|
| Distributeur | 1 distributeur, 2 distributeurs, 3 distributeurs, 4 distributeurs, 5 distributeurs, 6 distributeurs, 7 distributeurs |
| Méthode de contrôle | Manuel, Pneumatique, Électro-pneumatique, Électro-hydraulique, Solénoïde, Hydraulique, Hydraulique et manuel, Câble, Manette |
| Dimension du raccord | G1/2, G3/4, M22×1.5, M27×2.0, SAE 10, 1/2 NPT, 3/4 NPT |
| Section | 1 section, 2 sections, 3 sections, 4 sections, 5 sections, 6 sections, 7 sections |
| Plage de températures ambiantes | -40 °C à +80 °C (-40 °F à +176 °F) |
| Plage de viscosité de fonctionnement | 15 - 75 mm²/s (15 cSt à 75 cSt) |
| Pression maximale | 315 bar (4 600 psi) |
| Débit nominal | 80 L/min (21,2 US gpm) |
| Type de structure | Distributeur monobloc |
| Orifice d'entrée | G1/2, G3/4, M27×2.0, SAE 10, SAE 12, 1/2 NPT, 3/4 NPT |
**Caractéristiques et Avantages du Produit :**
* Commande manuelle pour un fonctionnement précis
* Construction monobloc pour la durabilité et la taille compacte
* Capacité de débit élevée de 80 L/min pour des performances système efficaces
* Pression maximale de 250 bar pour les applications exigeantes
* Large plage de viscosité de fonctionnement pour une compatibilité avec divers fluides hydrauliques
* Convient aux températures ambiantes allant de -40°C à +80°C
**Applications :**
Le distributeur directionnel manuel P80-G12-2QTW-OT est largement utilisé dans les systèmes hydrauliques de machines mobiles et industrielles, y compris :
* Équipements de manutention tels que chariots élévateurs, télescopiques et grues
* Engins de construction et de terrassement tels que pelleteuses, chargeuses et niveleuses
* Machines agricoles tels que tracteurs, moissonneuses et presses à balles
* Véhicules industriels tels que balayeuses, compacteurs de déchets et camions polybennes



