Livraison rapide
Livraison express de 30 jours



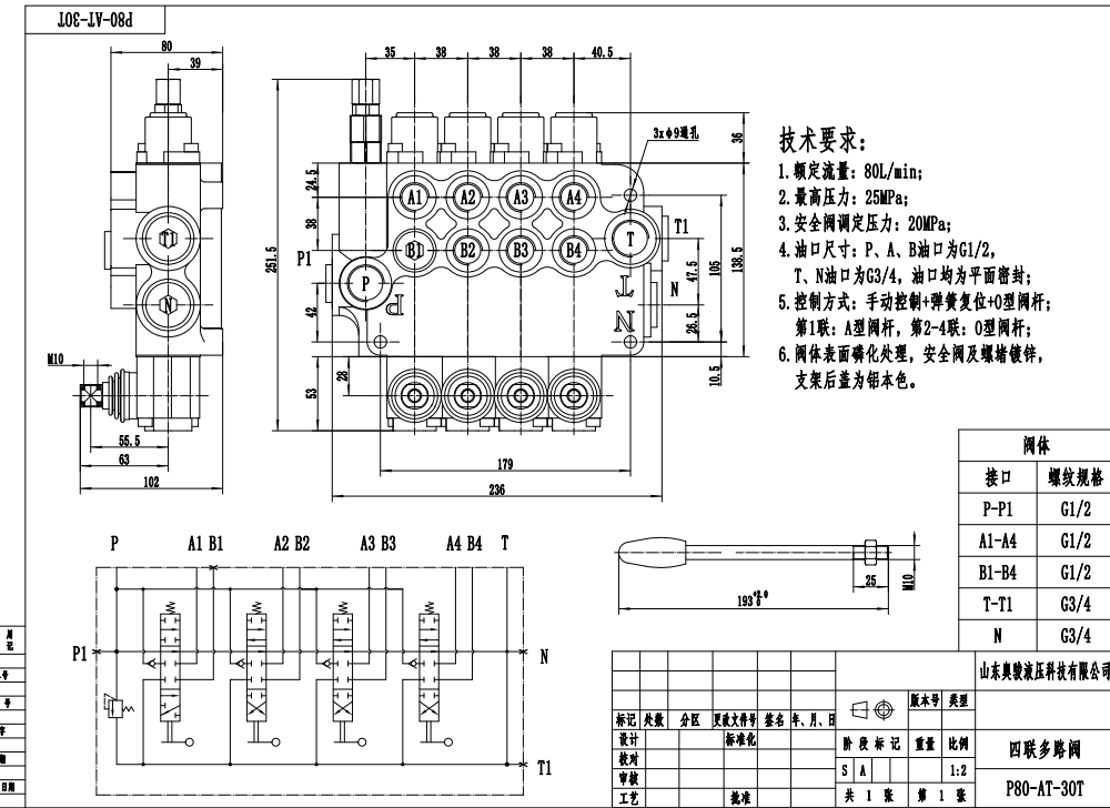
Le distributeur directionnel monobloc manuel à 4 tiroirs P80-G34-G12-AT-3OT est une valve hydraulique haute performance conçue pour les applications exigeantes dans diverses industries. Avec un débit nominal de 80 L/min et une pression maximale de 250 bar, il offre un contrôle fiable et efficace des systèmes hydrauliques. La conception monobloc assure une construction compacte et robuste, le rendant adapté aux applications où l'espace est contraint.
| Série P80 Vanne directionnelle monobloc Parameters | |
|---|---|
| Distributeur | 1 distributeur, 2 distributeurs, 3 distributeurs, 4 distributeurs, 5 distributeurs, 6 distributeurs, 7 distributeurs |
| Méthode de contrôle | Manuel, Pneumatique, Électro-pneumatique, Électro-hydraulique, Solénoïde, Hydraulique, Hydraulique et manuel, Câble, Manette |
| Dimension du raccord | G1/2, G3/4, M22×1.5, M27×2.0, SAE 10, 1/2 NPT, 3/4 NPT |
| Section | 1 section, 2 sections, 3 sections, 4 sections, 5 sections, 6 sections, 7 sections |
| Plage de températures ambiantes | -40 °C à +80 °C (-40 °F à +176 °F) |
| Plage de viscosité de fonctionnement | 15 - 75 mm²/s (15 cSt à 75 cSt) |
| Pression maximale | 315 bar (4 600 psi) |
| Débit nominal | 80 L/min (21,2 US gpm) |
| Type de structure | Distributeur monobloc |
| Orifice d'entrée | G1/2, G3/4, M27×2.0, SAE 10, SAE 12, 1/2 NPT, 3/4 NPT |
**Caractéristiques et avantages du produit :**
* Commande manuelle pour un fonctionnement précis et réactif
* Conception à 4 tiroirs pour un contrôle polyvalent du débit
* Construction monobloc pour la compacité et la durabilité
* Capacité de débit élevée de 80 L/min pour un fonctionnement efficace du système
* Pression maximale de 250 bar pour les applications exigeantes
* Large plage de viscosité de fonctionnement de 15 à 75 mm²/s pour une compatibilité avec divers fluides hydrauliques
* Plage de température de fonctionnement de -40°C à +80°C pour des performances fiables dans des environnements difficiles
**Applications :**
Le distributeur directionnel monobloc manuel à 4 tiroirs P80-G34-G12-AT-3OT est largement utilisé dans les systèmes hydrauliques pour une variété d'applications, y compris :
* Équipements de manutention
* Machines de construction
* Machines agricoles
* Véhicules industriels



