Livraison rapide
Livraison express de 30 jours



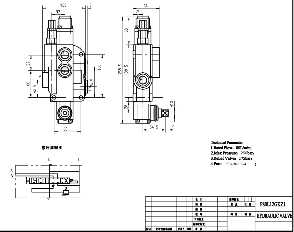
Le distributeur directionnel monobloc P80-G34-1OT à 1 bobine et commande manuelle est une vanne hydraulique haute performance conçue pour diverses applications dans les secteurs de la manutention, de la construction, de l'agriculture et des véhicules industriels. Il est doté d'un mécanisme de commande manuel, d'une conception à bobine unique et d'une construction monobloc robuste.
| Série P80 Vanne directionnelle monobloc Parameters | |
|---|---|
| Distributeur | 1 distributeur, 2 distributeurs, 3 distributeurs, 4 distributeurs, 5 distributeurs, 6 distributeurs, 7 distributeurs |
| Méthode de contrôle | Manuel, Pneumatique, Électro-pneumatique, Électro-hydraulique, Solénoïde, Hydraulique, Hydraulique et manuel, Câble, Manette |
| Dimension du raccord | G1/2, G3/4, M22×1.5, M27×2.0, SAE 10, 1/2 NPT, 3/4 NPT |
| Section | 1 section, 2 sections, 3 sections, 4 sections, 5 sections, 6 sections, 7 sections |
| Plage de températures ambiantes | -40 °C à +80 °C (-40 °F à +176 °F) |
| Plage de viscosité de fonctionnement | 15 - 75 mm²/s (15 cSt à 75 cSt) |
| Pression maximale | 315 bar (4 600 psi) |
| Débit nominal | 80 L/min (21,2 US gpm) |
| Type de structure | Distributeur monobloc |
| Orifice d'entrée | G1/2, G3/4, M27×2.0, SAE 10, SAE 12, 1/2 NPT, 3/4 NPT |
**Caractéristiques et avantages du produit :**
* Commande manuelle pour un fonctionnement précis et fiable
* Conception monobloc assurant l'intégrité structurelle et la durabilité
* Débit nominal de 80 L/min (21,2 US gpm) pour des performances système efficaces
* Pression maximale de 250 bar (3600 psi) pour les applications exigeantes
* Plage de viscosité de fonctionnement de 15 à 75 mm²/s (15 cSt à 75 cSt) pour une compatibilité avec divers fluides hydrauliques
* Large plage de températures ambiantes de -40°C à +80°C (-40°F à +176°F) pour un fonctionnement dans des environnements divers
**Applications :**
Le distributeur directionnel monobloc P80-G34-1OT à 1 bobine et commande manuelle est idéal pour une utilisation dans une large gamme de systèmes hydrauliques, y compris :
* Équipements de manutention (chariots élévateurs, télescopiques, gerbeurs)
* Engins de construction (pelles, chargeuses, grues)
* Véhicules agricoles (tracteurs, moissonneuses, presses)
* Véhicules industriels (balayeuses, compacteurs de déchets, camions ampliroll)



