Livraison rapide
Livraison express de 30 jours



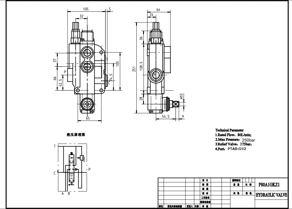
Le distributeur monobloc directionnel manuel P80-G12 à 1 bobine est un distributeur hydraulique haute performance conçu pour une utilisation dans une large gamme d'applications mobiles. Avec un débit nominal de 80 L/min et une pression maximale de 250 bar, cette vanne est capable de gérer des systèmes hydrauliques exigeants. Sa construction monobloc offre une solution compacte et durable, tandis que sa commande manuelle permet un fonctionnement précis et réactif.
| Série P80 Vanne directionnelle monobloc Parameters | |
|---|---|
| Distributeur | 1 distributeur, 2 distributeurs, 3 distributeurs, 4 distributeurs, 5 distributeurs, 6 distributeurs, 7 distributeurs |
| Méthode de contrôle | Manuel, Pneumatique, Électro-pneumatique, Électro-hydraulique, Solénoïde, Hydraulique, Hydraulique et manuel, Câble, Manette |
| Dimension du raccord | G1/2, G3/4, M22×1.5, M27×2.0, SAE 10, 1/2 NPT, 3/4 NPT |
| Section | 1 section, 2 sections, 3 sections, 4 sections, 5 sections, 6 sections, 7 sections |
| Plage de températures ambiantes | -40 °C à +80 °C (-40 °F à +176 °F) |
| Plage de viscosité de fonctionnement | 15 - 75 mm²/s (15 cSt à 75 cSt) |
| Pression maximale | 315 bar (4 600 psi) |
| Débit nominal | 80 L/min (21,2 US gpm) |
| Type de structure | Distributeur monobloc |
| Orifice d'entrée | G1/2, G3/4, M27×2.0, SAE 10, SAE 12, 1/2 NPT, 3/4 NPT |
**Caractéristiques et Avantages du Produit :**
* Débit nominal de 80 L/min pour les applications à haut débit
* Pression maximale de 250 bar pour les systèmes hydrauliques exigeants
* Construction monobloc pour une solution compacte et durable
* Commande manuelle pour un fonctionnement précis et réactif
* Plage de viscosité de fonctionnement de 15 à 75 mm²/s pour une compatibilité avec une large gamme de fluides hydrauliques
* Plage de température ambiante de -40°C à +80°C pour une utilisation dans des environnements extrêmes
**Applications :**
Le distributeur monobloc directionnel manuel P80-G12 à 1 bobine est idéal pour une utilisation dans une variété d'applications mobiles, y compris :
* Équipement de construction
* Équipement agricole
* Véhicules industriels
* Équipement de manutention
* Équipement forestier
* Équipement minier



