Livraison rapide
Livraison express de 30 jours



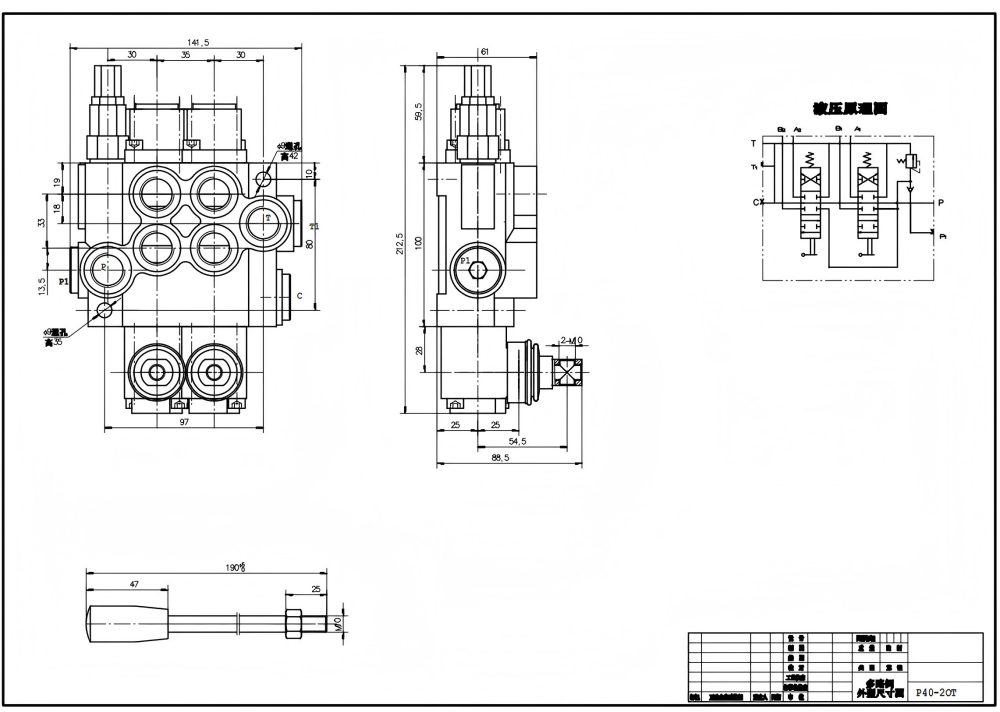
Le P40-XNHJ est un distributeur hydraulique directionnel monobloc robuste, manuel, à 2 tiroirs, avec un débit nominal de 40 L/min et une pression maximale de 250 bar. Idéal pour diverses applications dans la manutention, la construction, l'agriculture et les véhicules industriels, ce distributeur offre un contrôle et des performances fiables dans des environnements exigeants.
| Série P40-XNHJ Vanne directionnelle monobloc Parameters | |
|---|---|
| Méthode de contrôle | Manuel, Pneumatique, Électro-pneumatique, Électro-hydraulique, Solénoïde, Hydraulique, Hydraulique et manuel, Câble, Manette, Manuel et manette |
| Distributeur | 1 distributeur, 2 distributeurs, 3 distributeurs, 4 distributeurs, 5 distributeurs, 6 distributeurs, 7 distributeurs |
| Débit nominal | 40 L/min (10,5 US gpm) |
| Pression maximale | 250 bar (3 600 psi) |
| Orifice d'entrée | G3/8, G1/2, M18×1.5, M22×1.5, SAE 8, SAE 10, 3/8 NPT, 1/2 NPT |
| Orifice de sortie | G3/8, G1/2, M18×1.5, M22×1.5, SAE 8, SAE 10, 3/8 NPT, 1/2 NPT |
| Dimension du raccord | G3/8, G1/2, M18×1.5, SAE 8, SAE 10, 3/8 NPT, 1/2 NPT |
| Section | 1 section, 2 sections, 3 sections, 4 sections, 5 sections, 6 sections, 7 sections |
| Type de structure | Distributeur monobloc |
| Plage de températures ambiantes | -40 °C à +80 °C (-40 °F à +176 °F) |
| Plage de viscosité de fonctionnement | 15 - 75 mm²/s (15 cSt à 75 cSt) |
Le distributeur directionnel monobloc manuel à 2 tiroirs P40-XNHJ est un composant hydraulique haute performance conçu pour des applications exigeantes. Sa structure monobloc compacte assure fiabilité et durabilité, tandis que sa commande manuelle offre un fonctionnement précis. Avec un débit nominal de 40 L/min et une pression maximale de 250 bar, il convient à une large gamme d'équipements. La large plage de viscosité et de température de fonctionnement du distributeur (-40°C à +80°C) garantit des performances constantes dans diverses conditions. Ses deux tiroirs permettent un contrôle polyvalent des fonctions hydrauliques. Ce distributeur est idéal pour une utilisation dans les chariots élévateurs, les téléchargeurs, les chargeuses compactes, les tracteurs, les mini-pelles, les chargeuses-pelleteuses, les presses à balles, les moissonneuses et les pulvérisateurs, offrant un contrôle hydraulique fiable et efficace pour diverses opérations. Le P40-XNHJ est conçu pour résister aux environnements difficiles et offrir des performances durables, ce qui en fait une solution rentable pour les fabricants d'équipement d'origine (OEM) et les utilisateurs finaux. Nous proposons des options de fabrication, OEM, de marque privée, de personnalisation et de vente en gros, et recherchons activement des distributeurs, grossistes, agents et commerçants à l'échelle mondiale.



