Livraison rapide
Livraison express de 30 jours



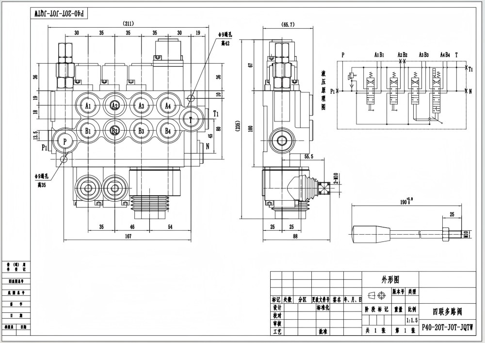
Le distributeur directionnel monobloc P40 à 4 tiroirs avec commande manuelle et par joystick est une valve hydraulique haute performance conçue pour les applications exigeantes nécessitant un contrôle précis du débit de fluide. Avec un débit nominal de 40 L/min (10,5 US gpm) et une pression maximale de 250 bar (3600 psi), cette valve convient à un large éventail d'applications dans les secteurs de la manutention, de la construction, de l'agriculture et des véhicules industriels.
| Série P40 Vanne directionnelle monobloc Parameters | |
|---|---|
| Méthode de contrôle | Manuel, Pneumatique, Électro-pneumatique, Électro-hydraulique, Solénoïde, Hydraulique, Hydraulique et manuel, Câble, Manette, Manuel et manette |
| Distributeur | 1 distributeur, 2 distributeurs, 3 distributeurs, 4 distributeurs, 5 distributeurs, 6 distributeurs, 7 distributeurs |
| Débit nominal | 40 L/min (10,5 US gpm) |
| Pression maximale | 250 bar (3 600 psi) |
| Orifice d'entrée | G3/8, G1/2, M18×1.5, M22×1.5, SAE 8, SAE 10, 3/8 NPT, 1/2 NPT |
| Orifice de sortie | G3/8, G1/2, M18×1.5, M22×1.5, SAE 8, SAE 10, 3/8 NPT, 1/2 NPT |
| Dimension du raccord | G3/8, G1/2, M18×1.5, SAE 8, SAE 10, 3/8 NPT, 1/2 NPT |
| Section | 1 section, 2 sections, 3 sections, 4 sections, 5 sections, 6 sections, 7 sections |
| Type de structure | Distributeur monobloc |
| Plage de températures ambiantes | -40 °C à +80 °C (-40 °F à +176 °F) |
| Plage de viscosité de fonctionnement | 15 - 75 mm²/s (15 cSt à 75 cSt) |
**Caractéristiques et Avantages du Produit :**
* Commande manuelle et par joystick pour un fonctionnement précis et facile
* Construction monobloc pour une durabilité accrue et une réduction des fuites
* Conception à 4 tiroirs pour un contrôle polyvalent du débit
* Capacité de débit de 40 L/min (10,5 US gpm) pour un fonctionnement efficace
* Pression maximale de 250 bar (3600 psi) pour les applications exigeantes
* Large plage de viscosité de fonctionnement de 15 à 75 mm²/s (15 cSt à 75 cSt) pour une compatibilité avec divers fluides
* Large plage de température ambiante de -40°C à +80°C (-40°F à +176°F) pour une utilisation dans des environnements extrêmes
**Applications :**
* Équipements de manutention, tels que chariots élévateurs, télescopiques et grues
* Engins de construction, tels que pelles, chargeurs et niveleuses
* Machines agricoles, tels que tracteurs et moissonneuses
* Véhicules industriels, tels que balayeuses, compacteurs et gestionnaires de déchets



