Livraison rapide
Livraison express de 30 jours



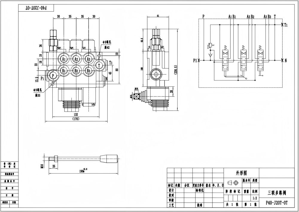
Le Distributeur Directionnel Monobloc P40 à 3 Tiroirs, Manuel et Joystick, est une valve hydraulique haute performance conçue pour les applications exigeantes dans diverses industries. Avec un débit nominal de 40 L/min et une pression maximale de 250 bars, il offre un contrôle de débit fiable et efficace. Ses options de commande polyvalentes, manuelles et par joystick, le rendent adapté à un fonctionnement précis dans différents scénarios.
| Série P40 Vanne directionnelle monobloc Parameters | |
|---|---|
| Méthode de contrôle | Manuel, Pneumatique, Électro-pneumatique, Électro-hydraulique, Solénoïde, Hydraulique, Hydraulique et manuel, Câble, Manette, Manuel et manette |
| Distributeur | 1 distributeur, 2 distributeurs, 3 distributeurs, 4 distributeurs, 5 distributeurs, 6 distributeurs, 7 distributeurs |
| Débit nominal | 40 L/min (10,5 US gpm) |
| Pression maximale | 250 bar (3 600 psi) |
| Orifice d'entrée | G3/8, G1/2, M18×1.5, M22×1.5, SAE 8, SAE 10, 3/8 NPT, 1/2 NPT |
| Orifice de sortie | G3/8, G1/2, M18×1.5, M22×1.5, SAE 8, SAE 10, 3/8 NPT, 1/2 NPT |
| Dimension du raccord | G3/8, G1/2, M18×1.5, SAE 8, SAE 10, 3/8 NPT, 1/2 NPT |
| Section | 1 section, 2 sections, 3 sections, 4 sections, 5 sections, 6 sections, 7 sections |
| Type de structure | Distributeur monobloc |
| Plage de températures ambiantes | -40 °C à +80 °C (-40 °F à +176 °F) |
| Plage de viscosité de fonctionnement | 15 - 75 mm²/s (15 cSt à 75 cSt) |
**Caractéristiques et Avantages du Produit :**
* Commande manuelle et par joystick pour un fonctionnement précis et polyvalent
* Conception à 3 tiroirs pour un contrôle indépendant de multiples circuits hydrauliques
* Construction monobloc pour une taille compacte et une réduction des fuites
* Débit nominal de 40 L/min pour une performance efficace
* Pression maximale de 250 bars pour les applications exigeantes
* Plage de viscosité de fonctionnement de 15 à 75 mm²/s pour une compatibilité avec divers fluides hydrauliques
* Plage de température ambiante de -40°C à +80°C pour un fonctionnement dans des environnements divers
**Applications :**
Le Distributeur Directionnel Monobloc P40 à 3 Tiroirs, Manuel et Joystick, est largement utilisé dans diverses industries, notamment :
* Équipements de manutention (chariots élévateurs, télescopiques, gerbeurs)
* Machines de construction (excavateurs, chargeuses, grues)
* Machines agricoles (tracteurs, moissonneuses-batteuses, presses)
* Véhicules industriels (balayeuses, compacteurs de déchets, camions ampliroll)



