Livraison rapide
Livraison express de 30 jours



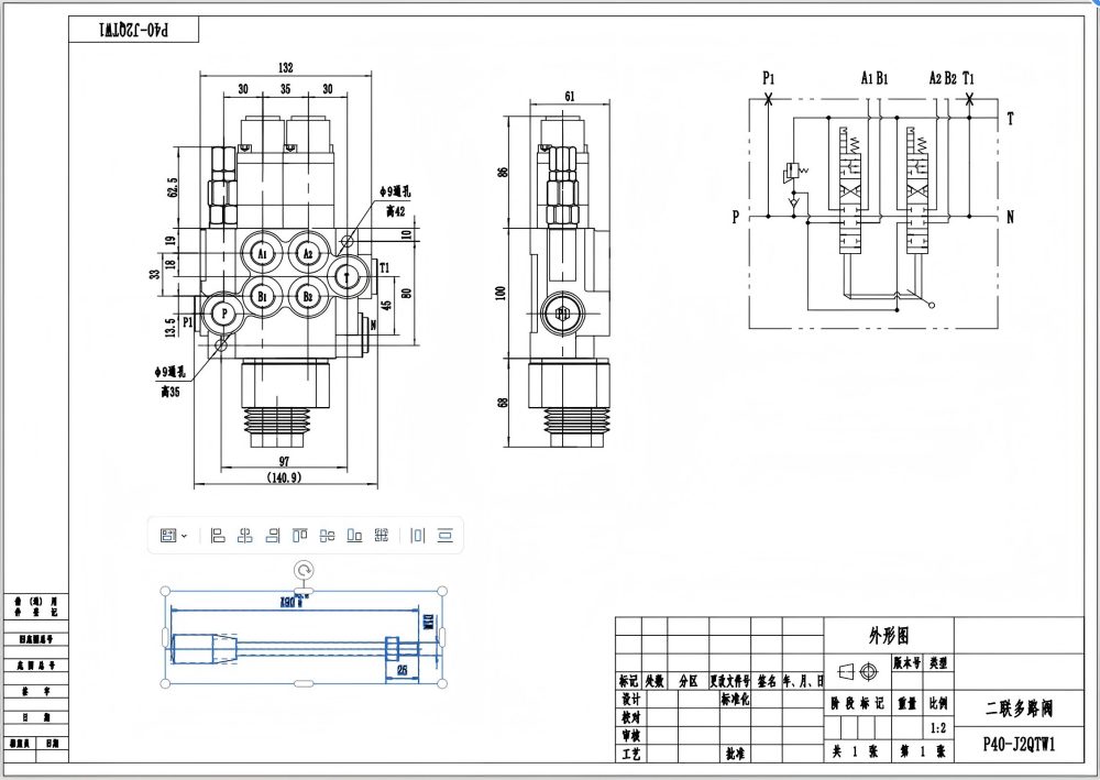
Le distributeur directionnel monobloc P40 à 2 bobines, manuel et joystick, est un distributeur hydraulique haute performance conçu pour les applications exigeantes. Avec un débit nominal de 40 L/min et une pression maximale de 250 bar, il offre un contrôle précis du débit et de la direction du fluide. Sa conception monobloc compacte garantit durabilité et fiabilité, tandis que ses options de commande manuelle et par joystick offrent polyvalence et facilité d'utilisation.
| Série P40 Vanne directionnelle monobloc Parameters | |
|---|---|
| Méthode de contrôle | Manuel, Pneumatique, Électro-pneumatique, Électro-hydraulique, Solénoïde, Hydraulique, Hydraulique et manuel, Câble, Manette, Manuel et manette |
| Distributeur | 1 distributeur, 2 distributeurs, 3 distributeurs, 4 distributeurs, 5 distributeurs, 6 distributeurs, 7 distributeurs |
| Débit nominal | 40 L/min (10,5 US gpm) |
| Pression maximale | 250 bar (3 600 psi) |
| Orifice d'entrée | G3/8, G1/2, M18×1.5, M22×1.5, SAE 8, SAE 10, 3/8 NPT, 1/2 NPT |
| Orifice de sortie | G3/8, G1/2, M18×1.5, M22×1.5, SAE 8, SAE 10, 3/8 NPT, 1/2 NPT |
| Dimension du raccord | G3/8, G1/2, M18×1.5, SAE 8, SAE 10, 3/8 NPT, 1/2 NPT |
| Section | 1 section, 2 sections, 3 sections, 4 sections, 5 sections, 6 sections, 7 sections |
| Type de structure | Distributeur monobloc |
| Plage de températures ambiantes | -40 °C à +80 °C (-40 °F à +176 °F) |
| Plage de viscosité de fonctionnement | 15 - 75 mm²/s (15 cSt à 75 cSt) |
**Caractéristiques et Avantages du Produit :**
- Débit nominal de 40 L/min (10.5 US gpm) pour un contrôle efficace du débit
- Pression maximale de 250 bar (3600 psi) pour un fonctionnement fiable dans les systèmes haute pression
- Options de commande manuelle et par joystick offrant flexibilité et facilité d'utilisation
- Conception monobloc pour une durabilité accrue et une réduction des fuites
- Plage de viscosité de fonctionnement de 15 à 75 mm²/s (15 cSt à 75 cSt) pour une compatibilité avec divers fluides
- Plage de température ambiante de -40°C à +80°C (-40°F à +176°F) pour une utilisation dans des conditions de température extrêmes
**Applications :**
- Équipements de manutention
- Machines de construction et de terrassement
- Machines agricoles
- Véhicules industriels



