Livraison rapide
Livraison express de 30 jours



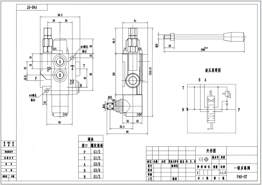
Le distributeur directionnel monobloc P40-G12-OT manuel à 1 tiroir est un distributeur hydraulique haute performance conçu pour des applications exigeantes dans diverses industries. Avec un débit nominal de 40 L/min et une pression maximale de 250 bar, ce distributeur offre un contrôle de débit fiable et efficace. Sa conception monobloc compacte garantit durabilité et facilité d'installation, en faisant un choix idéal pour les applications où l'espace est une contrainte.
| Série P40 Vanne directionnelle monobloc Parameters | |
|---|---|
| Méthode de contrôle | Manuel, Pneumatique, Électro-pneumatique, Électro-hydraulique, Solénoïde, Hydraulique, Hydraulique et manuel, Câble, Manette, Manuel et manette |
| Distributeur | 1 distributeur, 2 distributeurs, 3 distributeurs, 4 distributeurs, 5 distributeurs, 6 distributeurs, 7 distributeurs |
| Débit nominal | 40 L/min (10,5 US gpm) |
| Pression maximale | 250 bar (3 600 psi) |
| Orifice d'entrée | G3/8, G1/2, M18×1.5, M22×1.5, SAE 8, SAE 10, 3/8 NPT, 1/2 NPT |
| Orifice de sortie | G3/8, G1/2, M18×1.5, M22×1.5, SAE 8, SAE 10, 3/8 NPT, 1/2 NPT |
| Dimension du raccord | G3/8, G1/2, M18×1.5, SAE 8, SAE 10, 3/8 NPT, 1/2 NPT |
| Section | 1 section, 2 sections, 3 sections, 4 sections, 5 sections, 6 sections, 7 sections |
| Type de structure | Distributeur monobloc |
| Plage de températures ambiantes | -40 °C à +80 °C (-40 °F à +176 °F) |
| Plage de viscosité de fonctionnement | 15 - 75 mm²/s (15 cSt à 75 cSt) |
**Caractéristiques et Avantages du Produit :**
* Commande manuelle pour une régulation précise du débit
* Conception à 1 section pour un fonctionnement simple et efficace
* Construction monobloc pour une durabilité et une taille compacte
* Plage de viscosité de fonctionnement de 15 à 75 mm²/s pour une compatibilité avec divers fluides hydrauliques
* Plage de température ambiante de -40°C à +80°C pour une utilisation dans des conditions extrêmes
**Applications :**
Le distributeur directionnel monobloc P40-G12-OT manuel à 1 tiroir est largement utilisé dans diverses applications, notamment :
* Équipements de manutention
* Engins de construction et de terrassement
* Véhicules agricoles
* Véhicules industriels
**Applications Spécifiques :**
* Chariots télescopiques
* Chariots élévateurs
* Grues tout-terrain
* Gerbeurs
* Plateformes élévatrices
* Niveleuses
* Midi-pelles
* Mini-pelles
* Chargeuses compactes



