Livraison rapide
Livraison express de 30 jours



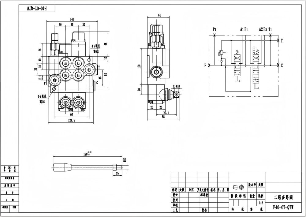
Le distributeur monobloc directionnel manuel à 2 bobines P40-G12-G38-OT-QTW est un distributeur hydraulique haute performance conçu pour une large gamme d'applications industrielles. Avec un débit nominal de 40 L/min et une pression maximale de 250 bar, ce distributeur est capable de gérer des systèmes hydrauliques exigeants. Sa conception monobloc compacte et sa méthode de commande manuelle facilitent son intégration dans les systèmes existants.
| Série P40 Vanne directionnelle monobloc Parameters | |
|---|---|
| Méthode de contrôle | Manuel, Pneumatique, Électro-pneumatique, Électro-hydraulique, Solénoïde, Hydraulique, Hydraulique et manuel, Câble, Manette, Manuel et manette |
| Distributeur | 1 distributeur, 2 distributeurs, 3 distributeurs, 4 distributeurs, 5 distributeurs, 6 distributeurs, 7 distributeurs |
| Débit nominal | 40 L/min (10,5 US gpm) |
| Pression maximale | 250 bar (3 600 psi) |
| Orifice d'entrée | G3/8, G1/2, M18×1.5, M22×1.5, SAE 8, SAE 10, 3/8 NPT, 1/2 NPT |
| Orifice de sortie | G3/8, G1/2, M18×1.5, M22×1.5, SAE 8, SAE 10, 3/8 NPT, 1/2 NPT |
| Dimension du raccord | G3/8, G1/2, M18×1.5, SAE 8, SAE 10, 3/8 NPT, 1/2 NPT |
| Section | 1 section, 2 sections, 3 sections, 4 sections, 5 sections, 6 sections, 7 sections |
| Type de structure | Distributeur monobloc |
| Plage de températures ambiantes | -40 °C à +80 °C (-40 °F à +176 °F) |
| Plage de viscosité de fonctionnement | 15 - 75 mm²/s (15 cSt à 75 cSt) |
**Caractéristiques et avantages du produit :**
* Commande manuelle pour un fonctionnement précis
* Conception à 2 bobines pour une polyvalence accrue
* Construction monobloc pour des performances compactes et sans fuite
* Débit nominal de 40 L/min pour une haute efficacité
* Pression maximale de 250 bar pour une durabilité
* Plage de viscosité de fonctionnement de 15 à 75 mm²/s pour une compatibilité avec divers fluides hydrauliques
* Plage de température ambiante de -40°C à +80°C pour une utilisation dans des environnements difficiles
**Applications :**
* Équipements de manutention
* Machines de construction et de terrassement
* Machines agricoles
* Véhicules industriels
* Chariots télescopiques
* Chariots élévateurs
* Grues tout-terrain
* Gerbeurs
* Plateformes élévatrices
* Niveleuses



