Livraison rapide
Livraison express de 30 jours



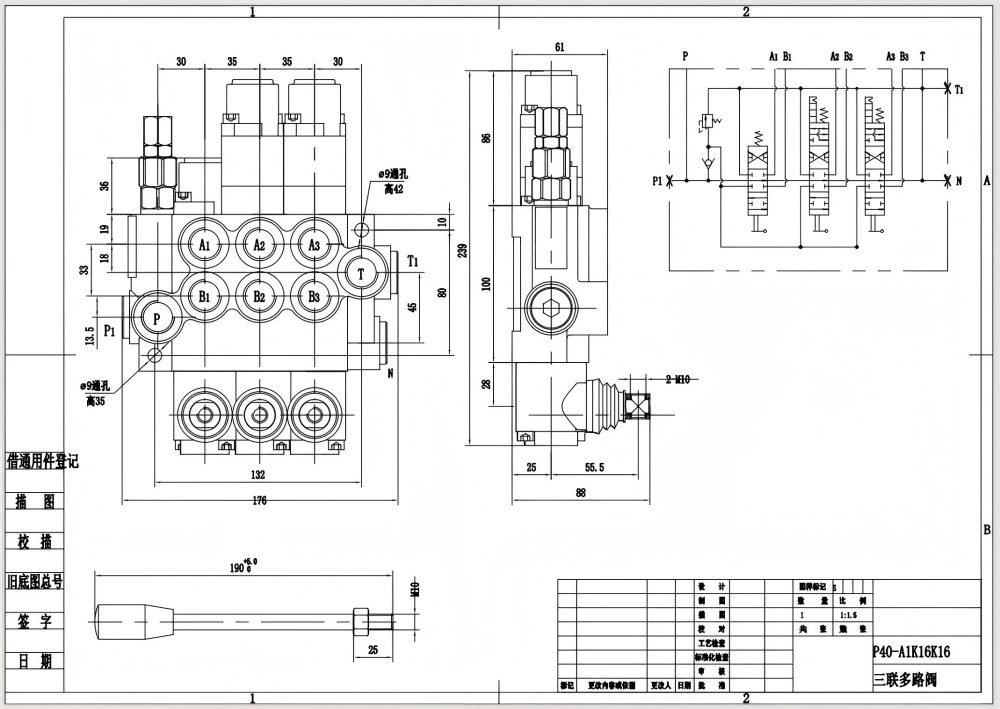
Le distributeur manuel monobloc à 3 tiroirs P40-G12-G38-OT-2QTW est un distributeur hydraulique haute performance conçu pour diverses applications industrielles. Il présente une construction monobloc compacte et robuste, garantissant durabilité et fiabilité. Avec un débit nominal de 40 L/min et une pression maximale de 250 bar, ce distributeur peut gérer efficacement des systèmes hydrauliques exigeants.
| Série P40 Vanne directionnelle monobloc Parameters | |
|---|---|
| Méthode de contrôle | Manuel, Pneumatique, Électro-pneumatique, Électro-hydraulique, Solénoïde, Hydraulique, Hydraulique et manuel, Câble, Manette, Manuel et manette |
| Distributeur | 1 distributeur, 2 distributeurs, 3 distributeurs, 4 distributeurs, 5 distributeurs, 6 distributeurs, 7 distributeurs |
| Débit nominal | 40 L/min (10,5 US gpm) |
| Pression maximale | 250 bar (3 600 psi) |
| Orifice d'entrée | G3/8, G1/2, M18×1.5, M22×1.5, SAE 8, SAE 10, 3/8 NPT, 1/2 NPT |
| Orifice de sortie | G3/8, G1/2, M18×1.5, M22×1.5, SAE 8, SAE 10, 3/8 NPT, 1/2 NPT |
| Dimension du raccord | G3/8, G1/2, M18×1.5, SAE 8, SAE 10, 3/8 NPT, 1/2 NPT |
| Section | 1 section, 2 sections, 3 sections, 4 sections, 5 sections, 6 sections, 7 sections |
| Type de structure | Distributeur monobloc |
| Plage de températures ambiantes | -40 °C à +80 °C (-40 °F à +176 °F) |
| Plage de viscosité de fonctionnement | 15 - 75 mm²/s (15 cSt à 75 cSt) |
**Caractéristiques et Avantages du Produit :**
* Commande manuelle pour un fonctionnement précis et réactif
* Conception à 3 tiroirs offrant un contrôle polyvalent du débit
* Construction monobloc pour une résistance et une durabilité accrues
* Capacité de débit (40 L/min) pour un fonctionnement efficace du système
* Excellente capacité de gestion de la pression (250 bar) pour résister aux applications exigeantes
* Large plage de viscosité de fonctionnement (15 - 75 mm²/s) pour une compatibilité avec divers fluides hydrauliques
* Convient pour une utilisation dans des environnements difficiles avec une plage de température ambiante de -40°C à +80°C
**Applications :**
Le distributeur manuel monobloc à 3 tiroirs P40-G12-G38-OT-2QTW est largement utilisé dans diverses applications industrielles, y compris :
* Équipements de manutention (chariots élévateurs, grues, télescopiques)
* Engins de construction et de terrassement (pelles, chargeuses, niveleuses)
* Machines agricoles (tracteurs, moissonneuses, presse-balles)
* Véhicules industriels (balayeuses, compacteurs de déchets, camions-bennes à bras)



