Livraison rapide
Livraison express de 30 jours



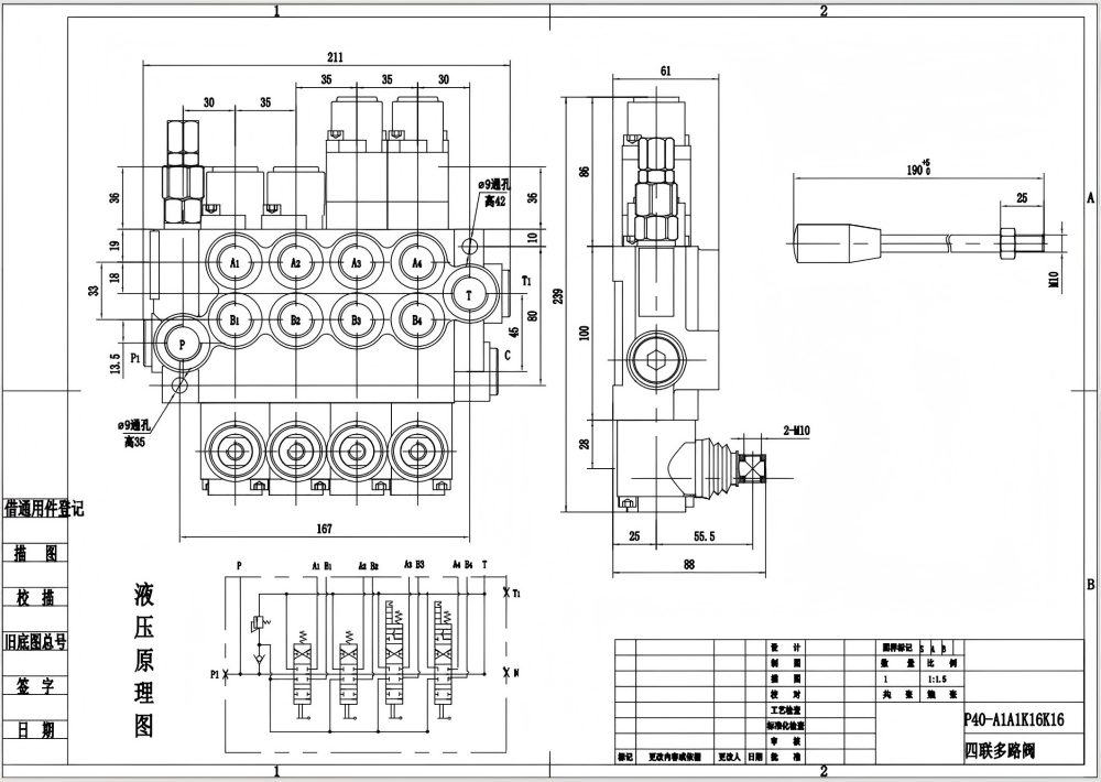
Le distributeur directionnel monobloc P40-G12-G38 à 4 tiroirs et commande manuelle est un distributeur hydraulique haute performance conçu pour diverses applications dans des industries telles que la manutention, la construction, l'agriculture et les véhicules industriels. Grâce à sa construction robuste, sa commande manuelle fiable et sa conception monobloc compacte, ce distributeur offre un contrôle précis du débit et un changement de direction dans les systèmes hydrauliques.
| Série P40 Vanne directionnelle monobloc Parameters | |
|---|---|
| Méthode de contrôle | Manuel, Pneumatique, Électro-pneumatique, Électro-hydraulique, Solénoïde, Hydraulique, Hydraulique et manuel, Câble, Manette, Manuel et manette |
| Distributeur | 1 distributeur, 2 distributeurs, 3 distributeurs, 4 distributeurs, 5 distributeurs, 6 distributeurs, 7 distributeurs |
| Débit nominal | 40 L/min (10,5 US gpm) |
| Pression maximale | 250 bar (3 600 psi) |
| Orifice d'entrée | G3/8, G1/2, M18×1.5, M22×1.5, SAE 8, SAE 10, 3/8 NPT, 1/2 NPT |
| Orifice de sortie | G3/8, G1/2, M18×1.5, M22×1.5, SAE 8, SAE 10, 3/8 NPT, 1/2 NPT |
| Dimension du raccord | G3/8, G1/2, M18×1.5, SAE 8, SAE 10, 3/8 NPT, 1/2 NPT |
| Section | 1 section, 2 sections, 3 sections, 4 sections, 5 sections, 6 sections, 7 sections |
| Type de structure | Distributeur monobloc |
| Plage de températures ambiantes | -40 °C à +80 °C (-40 °F à +176 °F) |
| Plage de viscosité de fonctionnement | 15 - 75 mm²/s (15 cSt à 75 cSt) |
**Caractéristiques et Avantages du Produit :**
* Commande manuelle pour un fonctionnement précis et réactif
* Conception à 4 tiroirs pour un contrôle polyvalent du débit
* Construction monobloc pour une performance compacte et sans fuite
* Capacité de débit de 40 L/min (10,5 US gpm)
* Pression maximale nominale de 250 bar (3600 psi)
* Large plage de viscosité de fonctionnement de 15 à 75 mm²/s (15 cSt à 75 cSt)
* Construction durable pour les applications exigeantes
**Applications :**
Le distributeur directionnel monobloc P40-G12-G38 à 4 tiroirs et commande manuelle convient à un large éventail d'applications, notamment :
* Équipements de manutention, tels que chariots élévateurs, télescopiques et grues
* Engins de construction, tels que pelles, chargeuses compactes et niveleuses
* Véhicules agricoles, tels que tracteurs, moissonneuses et presses à balles
* Véhicules industriels, tels que balayeuses, compacteurs de déchets et camions polybennes



