Livraison rapide
Livraison express de 30 jours



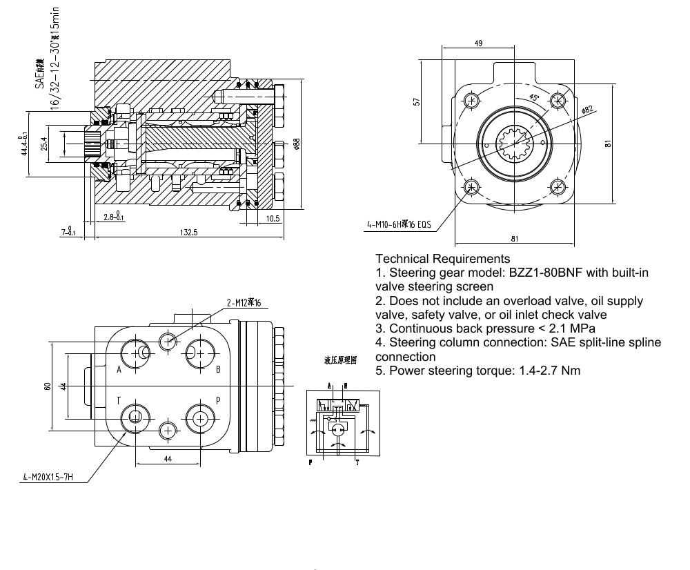
L'unité de direction hydraulique BZZ1-E80AS est un composant robuste et personnalisable, conçu pour une large gamme d'applications dans la manutention, la construction et les véhicules industriels. Avec une cylindrée de 80 ml/tr et une pression d'entrée maximale de 16 MPa, elle offre un contrôle de direction fiable et efficace. Sa construction en fonte assure la durabilité, et le bloc de vannes personnalisable permet des solutions sur mesure pour répondre à des exigences spécifiques.
| Série BZZ1 Unité de direction Parameters | |
|---|---|
| Cylindrée | 50 ml/tr, 63 ml/tr, 100 ml/tr, 80 ml/tr, 125 ml/tr, 160 ml/tr, 200 ml/tr, 250 ml/tr, 280 ml/tr, 315 ml/tr, 400 ml/tr, 500 ml/tr, 630 ml/tr, 800 ml/tr, 1000 ml/tr |
| Bloc de vannes | Personnalisable |
| Matériau | Fonte |
| Débit nominal | 5 L/min, 6 L/min, 4 L/min, 7,5 L/min, 9,5 L/min, 12 L/min, 15 L/min, 19 L/min, 21 L/min, 24 L/min, 30 L/min, 38 L/min, 48 L/min, 60 L/min, 75 L/min |
| Contre-pression maximale continue | 2,5 Mpa |
| Pression d'entrée maximale | 16 Mpa |
L'unité de direction BZZ1-E80AS est un composant hydraulique haute performance fabriqué en fonte durable pour un fonctionnement de longue durée. Sa cylindrée de 80 ml/tr et sa pression d'entrée maximale de 16 MPa offrent un contrôle de direction puissant et réactif, même dans des conditions exigeantes. L'unité présente une contre-pression continue maximale de 2,5 MPa et un débit nominal de 6 L/min, garantissant des performances constantes. Un avantage clé est le bloc de vannes personnalisable, permettant des configurations sur mesure pour répondre aux besoins précis de diverses applications. Cette flexibilité le rend idéal pour les projets OEM et ODM, ainsi que pour fournir des solutions personnalisées à diverses industries. L'unité trouve des applications dans divers types de machines, y compris les chariots élévateurs, les télescopiques, les chargeuses compactes, les chargeuses sur roues compactes, les mini et midi pelles, et les chargeuses-pelleteuses. Sa conception robuste et ses performances fiables en font une solution économique pour les fabricants recherchant des composants de direction hydrauliques de haute qualité. Nous proposons des services de fabrication, OEM, ODM, de personnalisation et de vente en gros, et recherchons activement des distributeurs, grossistes, agents et commerçants à l'échelle mondiale.



