Livraison rapide
Livraison express de 30 jours



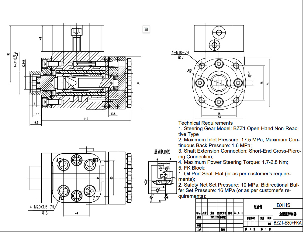
L'unité de direction hydraulique BZZ1-E80+FKA est une unité de déplacement robuste et personnalisable de 80 ml/tr avec une pression d'entrée maximale de 16 MPa. Idéale pour diverses applications dans la manutention, la construction, l'agriculture et les véhicules industriels, elle offre un contrôle de direction fiable avec un débit nominal de 6 L/min. Fabriquée en fonte, elle dispose d'un bloc de vannes personnalisable pour des performances adaptées. Nous proposons des options de fabrication, OEM, ODM et de vente en gros.
| Série BZZ1 Unité de direction Parameters | |
|---|---|
| Cylindrée | 50 ml/tr, 63 ml/tr, 100 ml/tr, 80 ml/tr, 125 ml/tr, 160 ml/tr, 200 ml/tr, 250 ml/tr, 280 ml/tr, 315 ml/tr, 400 ml/tr, 500 ml/tr, 630 ml/tr, 800 ml/tr, 1000 ml/tr |
| Bloc de vannes | Personnalisable |
| Matériau | Fonte |
| Débit nominal | 5 L/min, 6 L/min, 4 L/min, 7,5 L/min, 9,5 L/min, 12 L/min, 15 L/min, 19 L/min, 21 L/min, 24 L/min, 30 L/min, 38 L/min, 48 L/min, 60 L/min, 75 L/min |
| Contre-pression maximale continue | 2,5 Mpa |
| Pression d'entrée maximale | 16 Mpa |
L'unité de direction hydraulique BZZ1-E80+FKA offre un contrôle de direction précis et puissant pour une large gamme de machines. Sa capacité haute pression (16 MPa) garantit un fonctionnement fiable même sous des charges lourdes. Le déplacement de 80 ml/tr et le débit nominal de 6 L/min assurent une réponse de direction efficace. La construction robuste en fonte garantit durabilité et longévité dans des environnements exigeants. Le bloc de vannes personnalisable permet des solutions sur mesure pour répondre aux exigences spécifiques des applications, optimisant les performances et l'efficacité. Nous proposons des modèles commerciaux flexibles incluant la fabrication, l'OEM (Original Equipment Manufacturing), l'ODM (Original Design Manufacturing) et des options de vente en gros, permettant des solutions personnalisées et des commandes en gros pour répondre à vos besoins spécifiques. Nous recherchons activement des distributeurs, grossistes, agents et sociétés de négoce dans le monde entier. Contactez-nous pour discuter de vos besoins et explorer de potentiels partenariats.



