Livraison rapide
Livraison express de 30 jours



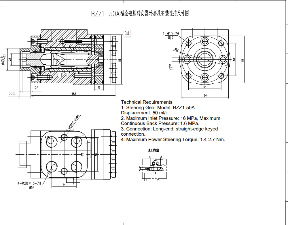
Le BZZ1-E50A est une unité de direction hydraulique robuste avec un déplacement de 50 ml/r, conçue pour diverses applications dans la manutention, la construction, l'agriculture et les véhicules industriels. Il offre une pression d'entrée maximale de 16 MPa et un bloc de vannes personnalisable pour des performances sur mesure. Nous proposons des options de fabrication, OEM, ODM et de vente en gros.
| Série BZZ1 Unité de direction Parameters | |
|---|---|
| Cylindrée | 50 ml/tr, 63 ml/tr, 100 ml/tr, 80 ml/tr, 125 ml/tr, 160 ml/tr, 200 ml/tr, 250 ml/tr, 280 ml/tr, 315 ml/tr, 400 ml/tr, 500 ml/tr, 630 ml/tr, 800 ml/tr, 1000 ml/tr |
| Bloc de vannes | Personnalisable |
| Matériau | Fonte |
| Débit nominal | 5 L/min, 6 L/min, 4 L/min, 7,5 L/min, 9,5 L/min, 12 L/min, 15 L/min, 19 L/min, 21 L/min, 24 L/min, 30 L/min, 38 L/min, 48 L/min, 60 L/min, 75 L/min |
| Contre-pression maximale continue | 2,5 Mpa |
| Pression d'entrée maximale | 16 Mpa |
L'unité de direction hydraulique BZZ1-E50A offre une solution fiable et efficace pour diverses machines. Sa construction en fonte assure durabilité et longévité, même dans des conditions de fonctionnement exigeantes. Les principales caractéristiques comprennent :
* **Haute Performance :** Le déplacement de 50 ml/r, le débit nominal de 4 L/min et la pression d'entrée maximale de 16 MPa offrent une direction puissante et réactive.
* **Bloc de Vannes Personnalisable :** Permet une adaptation aux exigences spécifiques de la machine et une performance optimisée du système.
* **Construction Durable :** Le matériau en fonte assure un fonctionnement robuste et une résistance à l'usure.
* **Applications Polyvalentes :** Convient à une gamme de machines, y compris les chariots élévateurs, les chargeuses compactes, les chargeuses sur pneus compactes, les télescopiques, les tracteurs, les mini-excavatrices et les chargeuses-pelleteuses.
* **Flexibilité de Fabrication :** Nous proposons des options de fabrication, OEM, ODM et de vente en gros pour répondre aux divers besoins des clients. Nous recherchons activement des distributeurs, grossistes, agents et partenaires commerciaux dans le monde entier pour étendre notre portée sur le marché. Contactez-nous dès aujourd'hui pour en savoir plus sur nos capacités et discuter de vos exigences spécifiques.



