Livraison rapide
Livraison express de 30 jours



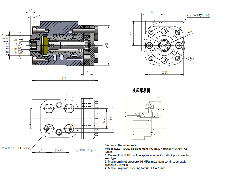
L'unité de direction BZZ1-E100C est un composant hydraulique robuste et personnalisable avec une cylindrée de 100 ml/r, conçu pour diverses applications dans la manutention, la construction, l'agriculture et les véhicules industriels. Il présente une pression d'entrée maximale de 16 MPa et une construction en fonte pour une durabilité accrue. Nous proposons des options de fabrication, OEM, ODM et de vente en gros à l'échelle mondiale.
| Série BZZ1 Unité de direction Parameters | |
|---|---|
| Cylindrée | 50 ml/tr, 63 ml/tr, 100 ml/tr, 80 ml/tr, 125 ml/tr, 160 ml/tr, 200 ml/tr, 250 ml/tr, 280 ml/tr, 315 ml/tr, 400 ml/tr, 500 ml/tr, 630 ml/tr, 800 ml/tr, 1000 ml/tr |
| Bloc de vannes | Personnalisable |
| Matériau | Fonte |
| Débit nominal | 5 L/min, 6 L/min, 4 L/min, 7,5 L/min, 9,5 L/min, 12 L/min, 15 L/min, 19 L/min, 21 L/min, 24 L/min, 30 L/min, 38 L/min, 48 L/min, 60 L/min, 75 L/min |
| Contre-pression maximale continue | 2,5 Mpa |
| Pression d'entrée maximale | 16 Mpa |
Le BZZ1-E100C est une unité de direction hydraulique haute performance idéale pour une large gamme d'applications. Ses principales caractéristiques comprennent :
* **Capacité haute pression :** Avec une pression d'entrée maximale de 16 MPa, il gère des conditions de fonctionnement exigeantes.
* **Construction durable :** Le matériau en fonte assure une fiabilité à long terme et une résistance à l'usure.
* **Bloc de vannes personnalisable :** Permet des configurations sur mesure pour répondre aux exigences spécifiques de l'application, améliorant la flexibilité et l'efficacité.
* **Débit élevé :** Un débit nominal de 7,5 L/min assure un fonctionnement de direction réactif et souple.
* **Applications polyvalentes :** Convient à divers types d'équipements, notamment les chariots élévateurs, les télescopiques, les chargeurs compacts, les chargeuses sur pneus compactes, les mini-pelles, les tracteurs, les moissonneuses et les presses à balles.
* **Portée mondiale :** Nous offrons des services de fabrication, OEM, ODM et de vente en gros aux distributeurs, revendeurs et agents du monde entier. Nous nous engageons à fournir des produits de haute qualité et un service client exceptionnel. Contactez-nous pour discuter de vos besoins spécifiques et explorer de potentiels partenariats.



